Benefits
- Increased Efficiency: Multi-spindle design reduces production time and increases output.
- Consistency and Quality: Delivers high precision for each drilling operation, minimizing material waste and enhancing product quality.
- Cost Savings: Lowers labor costs and increases productivity, offering a quick return on investment.
- Versatility: Suitable for drilling holes in various sizes and materials, supporting a wide range of applications in steel wheel manufacturing.
- Durability: Built to withstand intensive use, ensuring long-term reliability and performance.
- Safety: Advanced safety features provide a secure working environment, protecting operators from potential hazards.
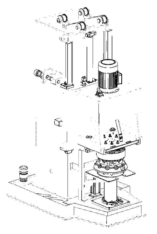
Product Description
The vertical multi-spindle unit, ensures the high-precision and efficient drilling of hub holes in steel wheel production. With its multi-spindle design capable of drilling multiple holes simultaneously, this machine optimizes speed and accuracy on the production line. Manufactured from highly durable materials, it features an automatic feeding system and a user-friendly interface, minimizing operator intervention. The machine offers variable speed settings for different material types and hole diameters and is equipped with various safety features to ensure maximum operator safety.
Features
Capable of drilling multiple holes simultaneously, increasing production speed.
CNC-controlled system ensures precise and consistent drilling operations.
Made from high-durability materials for long-lasting performance in heavy-duty conditions.
Automates material feeding and processing, reducing the need for operator intervention.
Intuitive interface and programming capabilities for easy operation and minimal training requirements.
Offers adjustable speed settings to suit different materials and hole diameters.
Equipped with various safety sensors and emergency stop mechanisms to ensure operator.

