Benefits
- High Efficiency: Increases production speed and ease of setup, enhancing overall productivity.
- Cost-Effective: Reduces material waste and labor costs, resulting in significant savings.
- Flexibility: Versatile use with different wheel sizes and designs.
- Quality Improvement: Ensures precise and strong weld joints, improving product quality.
- Durability: Robust construction ensures long-term use with minimal maintenance requirements.
- User-Friendly: Simplified control panel reduces operator training time.
- Safety: High safety standards protect operators, ensuring a safe working environment.
Product Description
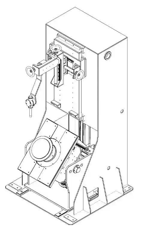
The Welding Apparatus Unit is used in the steel wheel manufacturing process to join the outer rim and the central disc of the wheel through welded fabrication. These units ensure that the wheel components are accurately and securely joined, meeting high durability and quality standards. Available in both automatic and semi-automatic options, these units enhance the efficiency of the production line.
Features
Advanced safety features to ensure operator protection.
High-precision welding process.
Robust and durable construction for long-term use.
High production speeds with minimal downtime.
Easy maintenance with low operational costs.



