Advantages
- High-Precision Rerounding: The machine offers high-precision capabilities to restore the rims to their perfect roundness.
- Adjustable Rerounding Settings: Parameters such as pressure and speed can be adjusted to accommodate various rim sizes and materials.
- Automatic Operation Mode: Equipped with an automatic operation mode to enhance production efficiency and reduce manual labor.
- Durable Construction: Built with high-quality materials to withstand the challenges of continuous operation in industrial environments.
- User-Friendly Interface: An easy-to-use control panel allows for quick adjustments and monitoring of the rerounding process.
Product Description
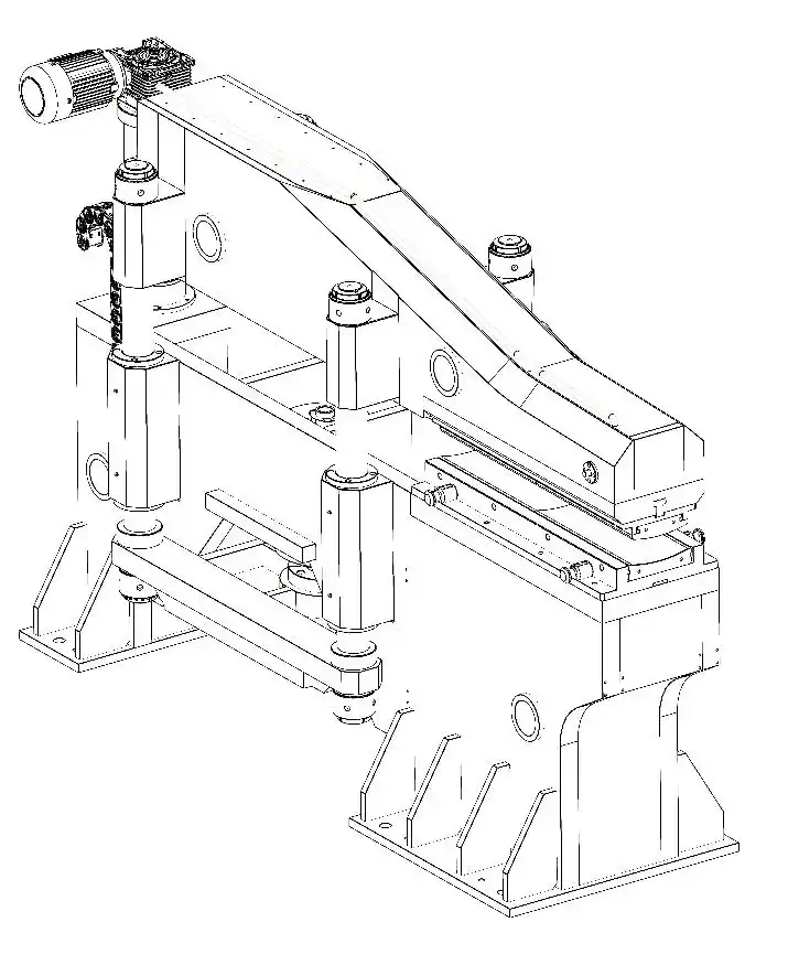
The Rerounder Unit is used to restore the roundness of the rim after the facing operation, which is done to prepare the rim for welding. This process facilitates rolling and calibrating operations. The Rerounder Unit is equipped with a hydraulic system and consists of the main unit, hydraulic unit, and electrical control panel.
It allows for two operating modes: manual and semi-automatic. It is suitable for loading operations either manually or with the assistance of a robot. The unit features over-movement protection and an over-pressure protection system. Working pressure, speed, and stroke can be adjusted according to specific processing needs.
Features
The machine offers high-precision capabilities to restore the rims to their perfect roundness.
Parameters such as pressure and speed can be adjusted to accommodate various rim sizes and materials.
Equipped with an automatic operation mode to enhance production efficiency and reduce manual labor.
Built with high-quality materials to withstand the challenges of continuous operation in industrial environments.
An easy-to-use control panel allows for quick adjustments and monitoring of the rerounding process.


